GT-008-33048P-DS/S
33针直驱多针机

产品视频
产品特点
GT-008系列多针机与一般链式缝纫机不同采用了拔杆机构,采用拔杆拔线形成线环。半筒型机身设计方便用户缝制环形衣物。具有针距种类多,可在153.6mm的范围内最多可以安装33根机针。弹出式弯针机构方便用户弯针穿线。
适用领域




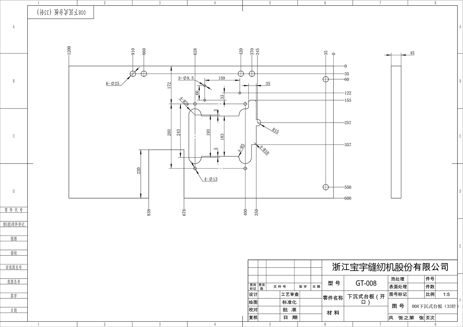
台板





留下您的信息,我们将第一时间与您取得联系
热线:0576-88159688
全国免费服务热线:800-8576-830
邮箱:baoyu@chinabaoyu.com
地址:浙江省台州市椒江区经中路2299

公众号

视频号

抖音号

零件商城小程序
Copyright © 2025 浙江宝宇缝纫机股份有限公司 版权所有